2025年2月28日、東京都渋谷区 - ポジティブワン株式会社(チェコ共和国プラハに拠点を置くMACH SYSTEMS s.r.o.社正規代理店)は、物理層の差動ネットワーク(CANバスなど)に対してフォルトを注入できる「Bus Fault Injection Board」をご紹介いたします。本製品は、誤った終端抵抗のシミュレーション、CAN_HまたはCAN_LのGND/Vddへの短絡・開放、GND/Vddまたはシールド信号の切断など、さまざまなエラーを再現可能です。これにより、CAN、CAN FD、FlexRay、RS-485、LINバスにおける物理層の動作検証を容易に行うことができる「物理層フォルトインジェクション・シミュレーション用PCBボード(BUS-FAULT-INJECTOR)の販売を開始いたします。
◆特長
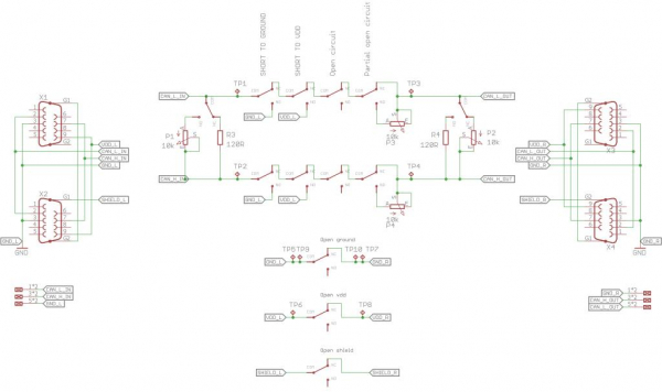
Bus Fault Injection Boardは、左側と右側の2つのセクションに分かれており、各側に1:1で結線されたD-SUB9Fコネクタを備えています。これらの間にフォルトインジェクション用のスイッチが配置されており、すべてのスイッチを「OK」位置に設定すると、物理層にエラーは発生せず、左右のセクションは正しく接続されます。そのため、本ボードはネットワークデバイス間の通常接続にも使用可能です。
Bus Fault Injection Boardは、左側と右側の2つのセクションに分かれており、各側に1:1で結線されたD-SUB9Fコネクタを備えています。これらの間にフォルトインジェクション用のスイッチが配置されており、すべてのスイッチを「OK」位置に設定すると、物理層にエラーは発生せず、左右のセクションは正しく接続されます。そのため、本ボードはネットワークデバイス間の通常接続にも使用可能です。
◆可能なフォルトインジェクション
・ フォルトなし(D-SUBコネクタの入出力が正常に接続)
・ 終端抵抗(ピン2+7):可変抵抗(0~10kΩ)または固定120Ω抵抗への切り替え
・ CAN_L(ピン2):GND短絡、Vdd短絡、開放、部分開放(可変抵抗0~10kΩ)
・ CAN_H(ピン7):GND短絡、Vdd短絡、開放、部分開放(可変抵抗0~10kΩ)
・ CAN_LとCAN_Hの短絡(終端抵抗0Ω)
・ GND開放(ピン3)
・ Vdd開放(ピン9)
・ シールド開放(ピン5)
・ フォルトなし(D-SUBコネクタの入出力が正常に接続)
・ 終端抵抗(ピン2+7):可変抵抗(0~10kΩ)または固定120Ω抵抗への切り替え
・ CAN_L(ピン2):GND短絡、Vdd短絡、開放、部分開放(可変抵抗0~10kΩ)
・ CAN_H(ピン7):GND短絡、Vdd短絡、開放、部分開放(可変抵抗0~10kΩ)
・ CAN_LとCAN_Hの短絡(終端抵抗0Ω)
・ GND開放(ピン3)
・ Vdd開放(ピン9)
・ シールド開放(ピン5)
◆技術仕様
・ 入力コネクタ:2× D-SUB9 F(1:1配線)
・ 出力コネクタ:2× D-SUB9 F(1:1配線)
・ 既存ネットワークの配線接続用端子
・ 重要な信号へのオシロスコーププローブ用テストポイント
・ 対応プロトコル:CAN、CAN FD、FlexRay、RS-485、LIN
・ 底面に4つの粘着ゴムパッドを装備
・ 寸法:100 × 100 mm
◆製品情報・型番
P/N;BUS-FAULT-INJECTOR
製品名;物理層フォルトインジェクション・シミュレーション用PCBボード
本製品は、各種バスシステムの動作検証や故障診断に最適なツールとなります。
・ 入力コネクタ:2× D-SUB9 F(1:1配線)
・ 出力コネクタ:2× D-SUB9 F(1:1配線)
・ 既存ネットワークの配線接続用端子
・ 重要な信号へのオシロスコーププローブ用テストポイント
・ 対応プロトコル:CAN、CAN FD、FlexRay、RS-485、LIN
・ 底面に4つの粘着ゴムパッドを装備
・ 寸法:100 × 100 mm
◆製品情報・型番
P/N;BUS-FAULT-INJECTOR
製品名;物理層フォルトインジェクション・シミュレーション用PCBボード
本製品は、各種バスシステムの動作検証や故障診断に最適なツールとなります。
【MACH SYSTEMS s.r.o社について】
MACH SYSTEMS s.r.o.は、チェコ共和国プラハに拠点を置く、組み込みシステム、電子デバイス、車両用電子システムの設計・開発に特化した企業です。2013年の設立以来、少数精鋭のチームで革新的な技術と高い専門性を武器に、車載ネットワークをはじめとする各種電子システムの統合・開発に取り組んでおります。
顧客のニーズに応じたカスタム電子システム、組み込みシステム、ソフトウェアの開発を手掛け、PCB設計、ファームウェア開発、プロトタイピング、少量から中量生産までの製造支援を提供しております。特に、車載用通信技術分野では、CAN/CAN FD、LIN、FlexRay、SAE J1939、CANopen、SAE J2716、Automotive Ethernet(100BASE-T1/1000BASE-T1)など、幅広いプロトコルと通信スタックのソリューションを展開し、診断ツールや試験装置の開発にも強みを持っています。
【ポジティブワン株式会社について】
社名 ポジティブワン株式会社(POSITIVE ONE CORPORATION)
〒150-0043 東京都渋谷区道玄坂1-12-1 渋谷マークシティ・ウエスト22F
URL http://www.positive-one.com
SoM製品関係:https://www.chinchillasmart.com
ポジティブワン株式会社は、最先端技術と時代を先読みしたエンベデッドソリューションをご提供します。そのために海外の有力な最先端技術会社と提携し、多様化する仕様に対応できるOEMハードウエアや世界標準ISOなどに準拠する品質向上のためのツールをご提供します。さらに、システムコンサルティング、エンベデッドからPC、スマートフォン、サーバーを含んだハードウエアからソフトウエアまでのシステム受託開発など、皆様のプロジェクト成功のためのご支援をいたします。
【本件に関するお問い合わせ先】
ポジティブワン株式会社
メールアドレス:poc_sales@positive-one.com
TEL:03-3256-3933 FAX:03-4360-5301
MACH SYSTEMS s.r.o.は、チェコ共和国プラハに拠点を置く、組み込みシステム、電子デバイス、車両用電子システムの設計・開発に特化した企業です。2013年の設立以来、少数精鋭のチームで革新的な技術と高い専門性を武器に、車載ネットワークをはじめとする各種電子システムの統合・開発に取り組んでおります。
顧客のニーズに応じたカスタム電子システム、組み込みシステム、ソフトウェアの開発を手掛け、PCB設計、ファームウェア開発、プロトタイピング、少量から中量生産までの製造支援を提供しております。特に、車載用通信技術分野では、CAN/CAN FD、LIN、FlexRay、SAE J1939、CANopen、SAE J2716、Automotive Ethernet(100BASE-T1/1000BASE-T1)など、幅広いプロトコルと通信スタックのソリューションを展開し、診断ツールや試験装置の開発にも強みを持っています。
【ポジティブワン株式会社について】
社名 ポジティブワン株式会社(POSITIVE ONE CORPORATION)
〒150-0043 東京都渋谷区道玄坂1-12-1 渋谷マークシティ・ウエスト22F
URL http://www.positive-one.com
SoM製品関係:https://www.chinchillasmart.com
ポジティブワン株式会社は、最先端技術と時代を先読みしたエンベデッドソリューションをご提供します。そのために海外の有力な最先端技術会社と提携し、多様化する仕様に対応できるOEMハードウエアや世界標準ISOなどに準拠する品質向上のためのツールをご提供します。さらに、システムコンサルティング、エンベデッドからPC、スマートフォン、サーバーを含んだハードウエアからソフトウエアまでのシステム受託開発など、皆様のプロジェクト成功のためのご支援をいたします。
【本件に関するお問い合わせ先】
ポジティブワン株式会社
メールアドレス:poc_sales@positive-one.com
TEL:03-3256-3933 FAX:03-4360-5301



